一、温湿度大气压噪声微气象仪产品简介
山东天合环境科技有限公司作为专业研发生产气象传感器的企业,一直致力于气象传感器和气象环境解决方案推广应用。具有完整的生产链、实力雄厚的技术团队和全面的营销团队,我们研发生产的传感器已广泛应用到智慧农业、气象监测、城市环境监测、风力发电、航海船舶、航空机场、桥梁隧道等领域,客户遍布全国各地,并取得了良好的社会效益和经济效益。
吉彩网二、温湿度大气压噪声微气象仪产品特点
1、抗干扰能力强,具有看门狗电路,自动复位功能,保证系统稳定运行
吉彩网2、高集成度,无移动部件,零磨损
吉彩网3、免维护,无需现场校准
4、采用ASA工程塑料室外应用常年不变色
5、产品设计输出信号标配为RS485通讯接口(MODBUS协议);可选配232、USB、以太网接口,支持数据实时读取☆
吉彩网6、可选配无线传输模块,最小传输间隔1分钟
吉彩网三、温湿度大气压噪声微气象仪技术参数
1、空气温度:-40-60℃(±0.3℃);
吉彩网2、空气湿度:0-100%RH(±3%RH);
吉彩网3、大气压力:30-110Kpa(±0.25%);
吉彩网4、噪声:30-120dB(±1.5dB)
5、功率:0.12W
6、生产企业具有ISO9001质量管理体系认证和计算机软件注册证书
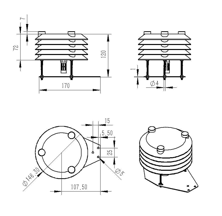
吉彩网四、温湿度大气压噪声微气象仪产品尺寸图

吉彩网五、温湿度大气压噪声微气象仪产品结构图




