吉彩网

搜索图标
P

产品目录

PRODUCT

联系我们

联系我们

山东天合环境

联系人联系人:李经理

电话联系电话:13276363035

QQQQ:867220900

地址公司地址:山东省潍坊市高新区光电路155号光电产业加速器(一期)

六要素空气质量气象传感器

六要素空气质量气象传感器

产品型号
TH-B6
产品品牌
云境天合
六要素空气质量气象传感器厂家山东天合环境科技有限公司拥有多年设备生产经验,六要素空气质量气象传感器研发实力雄厚,提供六要素空气质量气象传感器价格方案,厂家直销价格优惠,欢迎来电咨询!

产品详情

吉彩网一、六要素空气质量气象传感器产品简介

山东天合环境科技有限公司作为专业研发生产气象传感器的企业,一直致力于气象传感器和气象环境解决方案推广应用。具有完整的生产链、实力雄厚的技术团队和全面的营销团队,我们研发生产的传感器已广泛应用到智慧农业、气象监测、城市环境监测、风力发电、航海船舶、航空机场、桥梁隧道等领域,客户遍布全国各地,并取得了良好的社会效益和经济效益。


吉彩网二、六要素空气质量气象传感器产品特点

吉彩网1、抗干扰能力强,具有看门狗电路,自动复位功能,保证系统稳定运行

2、高集成度,无移动部件,零磨损

3、免维护,无需现场校准

吉彩网4、采用ASA工程塑料室外应用常年不变色

吉彩网5、产品设计输出信号标配为RS485通讯接口(MODBUS协议);可选配232、USB、以太网接口,支持数据实时读取☆

6、可选配无线传输模块,最小传输间隔1分钟


吉彩网三、六要素空气质量气象传感器技术参数

1、空气温度:-40-60℃(±0.3℃);

吉彩网2、空气湿度:0-100%RH(±3%RH);

3、大气压力:30-110Kpa(±0.25%);

吉彩网4、PM2.5:0-1000ug/m3(±10%)

5、PM10:0-1000ug/m3(±10%)

6、噪声:30-120dB(±1.5dB)

7、功率:0.72W

8、生产企业具有ISO9001质量管理体系认证和计算机软件注册证书


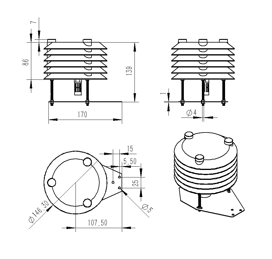
四、六要素空气质量气象传感器产品尺寸图

六要素空气质量气象传感器产品尺寸图

五、六要素空气质量气象传感器产品结构图

六要素空气质量气象传感器产品结构图


文章来源:http://art5glass.com/kqzlqx/521.html